높은 정확도 클래스 0.5 - 계량 및 모니터링 응용 프로그램에 대한 정확한 전류 측정을 제공합니다.
넓은 측정 범위 - 다양한 하중 조건을 수용하기 위해 여러 전류 비율을 지원합니다.
Compact & Lightweight Design - 성능을 손상시키지 않고 단단한 공간에 쉽게 설치할 수 있습니다.
우수한 열 안정성 - 변동하는 온도에서도 안정적인 작동을 보장합니다.
강력한 단열 및 안전 - 산업 안전 표준을 준수하여 전기 결함에 대한 안정적인 보호를 제공합니다.
다목적 응용 프로그램 - 전력 유통 패널, 산업 자동화 및 재생 가능 에너지 시스템에 사용하기에 이상적입니다.
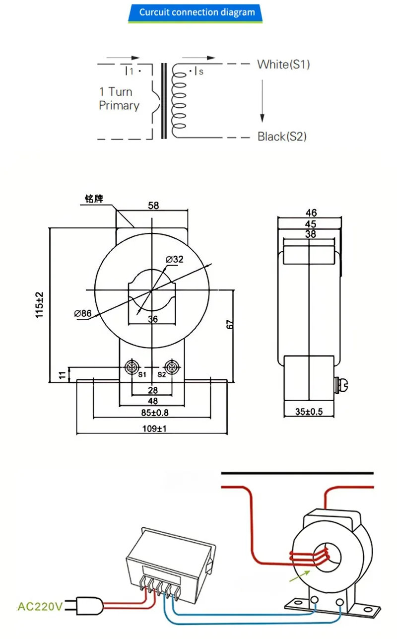
정격 기본 전류 : 사용자 정의 가능 (예 : 5A ~ 2000a)
정격 보조 전류 : 5A 또는 1A (표준)
정확도 클래스 : 0.5
주파수 : 50Hz/60Hz
단열 수준 : 최대 3kv
작동 온도 : -25 ° C ~ +70 ° C
파워 미터링 및 에너지 모니터링
보호 계전기 및 회로 차단기
산업 및 상업용 전기 시스템
태양 광 및 풍력 발전 설치

주소
Xiangyang Industrial Zone, Yueqing, Zhejiang, China